Subsections

Homo-Junction Bipolar Transistor

The following table contains the model parameters for the BJT (Spice Gummel-Poon) model.

Name Symbol Description Unit Default
         
Is $ I_{S}$ saturation current $ \ampere$ $ 10^{-16}$
Nf $ N_F$ forward emission coefficient   $ 1.0$
Nr $ N_R$ reverse emission coefficient   $ 1.0$
Ikf $ I_{KF}$ high current corner for forward beta $ \ampere$ $ \infty$
Ikr $ I_{KR}$ high current corner for reverse beta $ \ampere$ $ \infty$
Vaf $ V_{AF}$ forward early voltage $ \volt$ $ \infty$
Var $ V_{AR}$ reverse early voltage $ \volt$ $ \infty$
Ise $ I_{SE}$ base-emitter leakage saturation current $ \ampere$ 0
Ne $ N_E$ base-emitter leakage emission coefficient   $ 1.5$
Isc $ I_{SC}$ base-collector leakage saturation current $ \ampere$ 0
Nc $ N_C$ base-collector leakage emission coefficient   $ 2.0$
Bf $ B_F$ forward beta   $ 100$
Br $ B_R$ reverse beta   $ 1$
Rbm $ R_{Bm}$ minimum base resistance for high currents $ \ohm$ $ 0.0$
Irb $ I_{RB}$ current for base resistance midpoint $ \ampere$ $ \infty$
Rc $ R_{C}$ collector ohmic resistance $ \ohm$ $ 0.0$
Re $ R_{E}$ emitter ohmic resistance $ \ohm$ $ 0.0$
Rb $ R_{B}$ zero-bias base resistance (may be high-current $ \ohm$ $ 0.0$
    dependent)    
Cje $ C_{JE}$ base-emitter zero-bias depletion capacitance $ \farad$ $ 0.0$
Vje $ V_{JE}$ base-emitter junction built-in potential $ \volt$ $ 0.75$
Mje $ M_{JE}$ base-emitter junction exponential factor   $ 0.33$
Cjc $ C_{JC}$ base-collector zero-bias depletion capacitance $ \farad$ $ 0.0$
Vjc $ V_{JC}$ base-collector junction built-in potential $ \volt$ $ 0.75$
Mjc $ M_{JC}$ base-collector junction exponential factor   $ 0.33$
Xcjc $ X_{CJC}$ fraction of Cjc that goes to internal base pin   $ 1.0$
Cjs $ C_{JS}$ zero-bias collector-substrate capacitance $ \farad$ $ 0.0$
Vjs $ V_{JS}$ substrate junction built-in potential $ \volt$ $ 0.75$
Mjs $ M_{JS}$ substrate junction exponential factor   $ 0.0$
Fc $ F_C$ forward-bias depletion capacitance coefficient   $ 0.5$
Tf $ T_F$ ideal forward transit time $ \second$ $ 0.0$
Xtf $ X_{TF}$ coefficient of bias-dependence for Tf   $ 0.0$
Vtf $ V_{TF}$ voltage dependence of Tf on base-collector voltage $ \volt$ $ \infty$
Itf $ I_{TF}$ high-current effect on Tf $ \ampere$ $ 0.0$
Ptf $ \varphi_{TF}$ excess phase at the frequency $ 1/(2\pi T_F)$ $ \degree$ $ 0.0$
Tr $ T_R$ ideal reverse transit time $ \second$ $ 0.0$
Kf $ K_F$ flicker noise coefficient   $ 0.0$
Af $ A_F$ flicker noise exponent   $ 1.0$
Ffe $ F_{FE}$ flicker noise frequency exponent   $ 1.0$
Kb $ K_B$ burst noise coefficient   $ 0.0$
Ab $ A_B$ burst noise exponent   $ 1.0$
Fb $ F_B$ burst noise corner frequency $ \hertz$ $ 1.0$
Temp $ T$ device temperature $ \degree \mathrm{C}$ $ 26.85$
Xti $ X_{TI}$ saturation current exponent   $ 3.0$
Xtb $ X_{TB}$ temperature exponent for forward- and reverse-beta   $ 0.0$
Eg $ E_G$ energy bandgap eV $ 1.11$
Tnom $ T_{NOM}$ temperature at which parameters were extracted $ \degree \mathrm{C}$ $ 26.85$
Area $ A$ default area for bipolar transistor   $ 1.0$

Large signal model

Figure 10.10: bipolar transistor symbol and large signal model for vertical device
\includegraphics[width=1\linewidth]{sgp}

The SGP (SPICE Gummel-Poon) model is basically a transport model, i.e. the voltage dependent ideal transfer currents (forward $ I_F$ and backward $ I_R$) are reference currents in the model. The ideal base current parts are defined dependent on the ideal transfer currents. The ideal forward transfer current starts flowing when applying a positive control voltage at the base-emitter junction. It is defined by:

$\displaystyle I_F = I_S\cdot \left(e^{\frac{V_{BE}}{N_F\cdot V_T}} -1\right)$ (10.84)

The ideal base current components are defined by the ideal transfer currents. The non-ideal components are independently defined by dedicated saturation currents and emission coefficients.

$\displaystyle I_{BEI}$ $\displaystyle = \frac{I_F}{B_F}$ $\displaystyle g_{BEI}$ $\displaystyle = \frac{\partial I_{BEI}}{\partial V_{BE}} = \frac{I_S}{N_F\cdot V_T \cdot B_F}\cdot e^{\frac{V_{BE}}{N_F\cdot V_T}}$ (10.85)
$\displaystyle I_{BEN}$ $\displaystyle = I_{SE}\cdot \left(e^{\frac{V_{BE}}{N_E\cdot V_T}} -1\right)$ $\displaystyle g_{BEN}$ $\displaystyle = \frac{\partial I_{BEN}}{\partial V_{BE}} = \frac{I_{SE}}{N_E\cdot V_T}\cdot e^{\frac{V_{BE}}{N_E\cdot V_T}}$ (10.86)

$\displaystyle I_{BE}$ $\displaystyle = I_{BEI} + I_{BEN}$ (10.87)
$\displaystyle g_{\pi} = g_{BE}$ $\displaystyle = g_{BEI} + g_{BEN}$ (10.88)

The ideal backward transfer current arises when applying a positive control voltage at the base-collector junction (e.g. in the active inverse mode). It is defined by:

$\displaystyle I_R = I_S\cdot \left(e^{\frac{V_{BC}}{N_R\cdot V_T}} -1\right)$ (10.89)

Again, the ideal base current component through the base-collector junction is defined in reference to the ideal backward transfer current and the non-ideal component is defined by a dedicated saturation current and emission coefficient.

$\displaystyle I_{BCI}$ $\displaystyle = \frac{I_R}{B_R}$ $\displaystyle g_{BCI}$ $\displaystyle = \frac{\partial I_{BCI}}{\partial V_{BC}} = \frac{I_S}{N_R\cdot V_T \cdot B_R}\cdot e^{\frac{V_{BC}}{N_R\cdot V_T}}$ (10.90)
$\displaystyle I_{BCN}$ $\displaystyle = I_{SC}\cdot \left(e^{\frac{V_{BC}}{N_C\cdot V_T}} -1\right)$ $\displaystyle g_{BCN}$ $\displaystyle = \frac{\partial I_{BCN}}{\partial V_{BC}} = \frac{I_{SC}}{N_C\cdot V_T}\cdot e^{\frac{V_{BC}}{N_C\cdot V_T}}$ (10.91)

$\displaystyle I_{BC}$ $\displaystyle = I_{BCI} + I_{BCN}$ (10.92)
$\displaystyle g_{\mu} = g_{BC}$ $\displaystyle = g_{BCI} + g_{BCN}$ (10.93)

With these definitions it is possible to calculate the overall base current flowing into the device using all the base current components.

$\displaystyle I_B = I_{BE} + I_{BC} = I_{BEI} + I_{BEN} + I_{BCI} + I_{BCN}$ (10.94)

The overall transfer current $ I_T$ can be calculated using the normalized base charge $ Q_B$ and the ideal forward and backward transfer currents.

$\displaystyle I_T = I_{TF} - I_{TR} = \dfrac{I_F - I_R}{Q_B}$ (10.95)

The normalized base charge $ Q_B$ has no dimension and has the value $ 1$ for $ V_{BE} = V_{BC} = 0$. It is used to model two effects: the influence of the base width modulation on the transfer current (Early effect) and the ideal transfer currents deviation at high currents, i.e. the decreasing current gain at high currents.

$\displaystyle Q_B = \frac{Q_1}{2} \cdot \left(1 + \sqrt{1 + 4\cdot Q_2}\right)$ (10.96)

The $ Q_1$ term is used to describe the Early effect and $ Q_2$ is responsible for the high current effects.

$\displaystyle Q_1 = \frac{1}{1 - \dfrac{V_{BC}}{V_{AF}} - \dfrac{V_{BE}}{V_{AR}}} \;\;\;\;$    and $\displaystyle \;\;\;\; Q_2 = \frac{I_F}{I_{KF}} + \frac{I_R}{I_{KR}}$ (10.97)

The transfer current $ I_T$ depends on $ V_{BE}$ and $ V_{BC}$ by the normalized base charge $ Q_B$ and the forward transfer current $ I_{F}$ and the backward transfer current $ I_R$. That is why both of the partial derivatives are required.

The forward transconductance $ g_{mf}$ of the transfer current $ I_{T}$ is obtained by differentiating it with respect to $ V_{BE}$. The reverse transconductance $ g_{mr}$ can be calculated by differentiating the transfer current with respect to $ V_{BC}$.

$\displaystyle g_{mf}$ $\displaystyle = \frac{\partial I_{T}}{\partial V_{BE}} = \frac{\partial I_{TF}}...
...}{Q_B}\cdot\left(+g_{IF} - I_T\cdot \frac{\partial Q_B}{\partial V_{BE}}\right)$ (10.98)
$\displaystyle g_{mr}$ $\displaystyle = \frac{\partial I_{T}}{\partial V_{BC}} = \frac{\partial I_{TF}}...
...}{Q_B}\cdot\left(-g_{IR} - I_T\cdot \frac{\partial Q_B}{\partial V_{BC}}\right)$ (10.99)

With $ g_{IF}$ being the forward conductance of the ideal forward transfer current and $ g_{IR}$ being the reverse conductance of the ideal backward transfer current.

$\displaystyle g_{IF}$ $\displaystyle = \frac{\partial I_F}{\partial V_{BE}} = g_{BEI}\cdot B_F$ (10.100)
$\displaystyle g_{IR}$ $\displaystyle = \frac{\partial I_R}{\partial V_{BC}} = g_{BCI}\cdot B_R$ (10.101)

The remaining derivatives in eq. (10.98), (10.99), (10.119) and (10.120) can be written as

$\displaystyle \frac{\partial Q_B}{\partial V_{BE}}$ $\displaystyle = Q_1\cdot \left(\frac{Q_B}{V_{AR}} + \frac{g_{IF}}{I_{KF}\cdot \sqrt{1 + 4\cdot Q_2}}\right)$ (10.102)
$\displaystyle \frac{\partial Q_B}{\partial V_{BC}}$ $\displaystyle = Q_1\cdot \left(\frac{Q_B}{V_{AF}} + \frac{g_{IR}}{I_{KR}\cdot \sqrt{1 + 4\cdot Q_2}}\right)$ (10.103)

For the calculation of the bias dependent base resistance $ R_{BB'}$ there are two different ways within the SGP model. If the model parameter $ I_{RB}$ is not given it is determined by the normalized base charge $ Q_B$. Otherwise $ I_{RB}$ specifies the base current at which the base resistance drops half way to the minimum (i.e. the constant component) base resistance $ R_{Bm}$.

$\displaystyle R_{BB'} = \begin{cases}\begin{array}{ll} R_{Bm} + \dfrac{R_B - R_...
...}{z\cdot \tan^2{z}} & \text{ for } I_{RB} \neq \infty\\ \end{array} \end{cases}$ (10.104)

with $\displaystyle \;\;\;\; z = \frac{\sqrt{1 + \dfrac{144}{\pi^2}\cdot\dfrac{I_B}{I_{RB}}} -1}{\dfrac{24}{\pi^2}\cdot\sqrt{\dfrac{I_B}{I_{RB}}}}$ (10.105)

Figure 10.11: accompanied DC model of intrinsic BJT
\includegraphics[width=0.5\linewidth]{dcsgp}

With the accompanied DC model shown in fig. 10.11 the MNA matrix entries as well as the current vector entries differ.

$\displaystyle \begin{bmatrix}g_{\mu} + g_{\pi} & -g_{\mu} & -g_{\pi} & 0\\ -g_{...
...}\\ +I_{BC_{eq}} - I_{CE_{eq}}\\ +I_{BE_{eq}} + I_{CE_{eq}}\\ 0\\ \end{bmatrix}$ (10.106)

$\displaystyle I_{BE_{eq}}$ $\displaystyle = I_{BE} - g_{\pi} \cdot V_{BE}$ (10.107)
$\displaystyle I_{BC_{eq}}$ $\displaystyle = I_{BC} - g_{\mu} \cdot V_{BC}$ (10.108)
$\displaystyle I_{CE_{eq}}$ $\displaystyle = I_{T} - g_{mf} \cdot V_{BE} + g_{mr} \cdot V_{BC}$ (10.109)

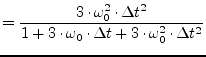
In order to implement the influence of the excess phase parameter $ \varphi_{TF}$ - denoting the phase shift of the current gain at the transit frequency - the method developed by P.B. Weil and L.P. McNamee [14] can be used. They propose to use a second-order Bessel polynomial to modify the forward transfer current:

$\displaystyle I_{Tx} = I_T\cdot \Phi\left(s\right) = I_T\cdot \dfrac{3\cdot\omega_0^2}{s^2 + 3\cdot\omega_0\cdot s + 3\cdot\omega_0^2}$ (10.110)

This polynomial is formulated to closely resemble a time domain delay for a Gaussian curve which is similar to the physical phenomenon exhibited by bipolar transistor action.

Applying the inverse Laplace transformation to eq. (10.110) and using finite difference methods the transfer current can be written as

$\displaystyle I_{Tx}^{n+1} = C_1\cdot I_{T}^{n+1} + C_2\cdot I_{Tx}^{n} - C_3\cdot I_{Tx}^{n-1}$ (10.111)

with

$\displaystyle C_1$ $\displaystyle = \dfrac{3\cdot\omega_0^2\cdot \Delta t^2}{1 + 3\cdot\omega_0\cdot\Delta t + 3\cdot\omega_0^2\cdot \Delta t^2}$ (10.112)
$\displaystyle C_2$ $\displaystyle = \dfrac{2 + 3\cdot\omega_0\cdot\Delta t}{1 + 3\cdot\omega_0\cdot\Delta t + 3\cdot\omega_0^2\cdot \Delta t^2}$ (10.113)
$\displaystyle C_3$ $\displaystyle = \dfrac{1}{1 + 3\cdot\omega_0\cdot \Delta t + 3\cdot\omega_0^2\cdot \Delta t^2}$ (10.114)

and

$\displaystyle \omega_0 = \dfrac{\pi}{180}\cdot\dfrac{1}{\varphi_{TF}\cdot T_F}$ (10.115)

The appropiate modified derivative writes as

$\displaystyle g_{mx}^{n+1} = C_1\cdot g_{m}^{n+1}$ (10.116)

It should be noted that the excess phase implementation during the transient analysis (and thus in the AC analysis as well) holds for the forward part of the transfer current only.

With non-equidistant inegration time steps during transient analysis present eqs. (10.113) and (10.114) yield

$\displaystyle C_2$ $\displaystyle = \dfrac{1 + \Delta t/\Delta t_1 + 3\cdot\omega_0\cdot\Delta t}{1 + 3\cdot\omega_0\cdot\Delta t + 3\cdot\omega_0^2\cdot \Delta t^2}$ (10.117)
$\displaystyle C_3$ $\displaystyle = \dfrac{\Delta t/\Delta t_1}{1 + 3\cdot\omega_0\cdot \Delta t + 3\cdot\omega_0^2\cdot \Delta t^2}$ (10.118)

whereas $ \Delta t$ denotes the current time step and $ \Delta t_1$ the previous one.

Original SPICE model

The original SGP model implementation defines the output conductance $ g_0$ and the transconductance value $ g_m$. Thus the SPICE simulator is able to compute the BJT circuit using a single voltage controlled current source. These definitions are given here.

$\displaystyle g_0$ $\displaystyle = \left.\dfrac{\partial I_{T}}{\partial V_{CE}}\right\vert _{V_{B...
...{Q_B}\cdot\left(g_{IR} + I_{T}\cdot\dfrac{\partial Q_B}{\partial V_{BC}}\right)$ (10.119)
$\displaystyle g_m$ $\displaystyle = \left.\dfrac{\partial I_{T}}{\partial V_{BE}}\right\vert _{V_{C...
...}\cdot\left(g_{IF} - I_T\cdot\dfrac{\partial Q_B}{\partial V_{BE}}\right) - g_0$ (10.120)

There are two possible ways to compute the MNA matrix of the SGP model. One using a single voltage controlled current source with an accompanied output conductance and the other using two independent voltage controlled current sources (see fig.10.11). Both possibilities are equivalent.

Figure 10.12: accompanied DC model of intrinsic BJT in SPICE
\includegraphics[width=0.5\linewidth]{dcsgp_spice}

With the accompanied DC model shown in fig. 10.12 it is possible to build the complete MNA matrix of the intrinsic BJT and the current vector.

$\displaystyle \begin{bmatrix}g_{\mu} + g_{\pi} & -g_{\mu} & -g_{\pi} & 0\\ -g_{...
...}\\ +I_{BC_{eq}} - I_{CE_{eq}}\\ +I_{BE_{eq}} + I_{CE_{eq}}\\ 0\\ \end{bmatrix}$ (10.121)

$\displaystyle I_{BE_{eq}}$ $\displaystyle = I_{BE} - g_{\pi} \cdot V_{BE}$ (10.122)
$\displaystyle I_{BC_{eq}}$ $\displaystyle = I_{BC} - g_{\mu} \cdot V_{BC}$ (10.123)
$\displaystyle I_{CE_{eq}}$ $\displaystyle = I_{T} - g_{m} \cdot V_{BE} - g_{0} \cdot V_{CE}$ (10.124)

Small signal model

Equations for the real valued conductances in both equivalent circuits for the intrinsic BJT have already been given.

Figure 10.13: small signal model of intrinsic BJT
\includegraphics[width=0.55\linewidth]{spsgp}

The junctions depletion capacitances in the SGP model write as follows:

$\displaystyle C_{BE_{dep}}$ $\displaystyle = \begin{cases}\begin{array}{ll} C_{JE}\cdot \left(1 - \dfrac{V_{...
...ht)}\right) & \textrm{ for } V_{BE} > F_{C}\cdot V_{JE} \end{array} \end{cases}$ (10.125)
$\displaystyle C_{BC_{dep}}$ $\displaystyle = \begin{cases}\begin{array}{ll} C_{JC}\cdot \left(1 - \dfrac{V_{...
...ht)}\right) & \textrm{ for } V_{BC} > F_{C}\cdot V_{JC} \end{array} \end{cases}$ (10.126)
$\displaystyle C_{CS_{dep}}$ $\displaystyle = \begin{cases}\begin{array}{ll} C_{JS}\cdot \left(1 - \dfrac{V_{...
...frac{V_{CS}}{V_{JS}}\right) & \textrm{ for } V_{CS} > 0 \end{array} \end{cases}$ (10.127)

The base-collector depletion capacitance is split into two components: an external and an internal.

$\displaystyle C_{BCI_{dep}}$ $\displaystyle = X_{CJC}\cdot C_{BC_{dep}}$ (10.128)
$\displaystyle C_{BCX_{dep}}$ $\displaystyle = \left(1 - X_{CJC}\right)\cdot C_{BC_{dep}}$ (10.129)

The base-emitter diffusion capacitance can be obtained using the following equation.

$\displaystyle C_{BE_{diff}} = \dfrac{\partial Q_{BE}}{\partial V_{BE}} \;\;\;\;$    with $\displaystyle \;\;\;\; Q_{BE} = \dfrac{I_F}{Q_B}\cdot T_{FF}$ (10.130)

Thus the diffusion capacitance depends on the bias-dependent effective forward transit time $ T_{FF}$ which is defined as:

$\displaystyle T_{FF} = T_F \cdot\left(1 + X_{TF} \cdot \left(\dfrac{I_F}{I_F + I_{TF}}\right)^2 \cdot \exp{\left(\dfrac{V_{BC}}{1.44\cdot V_{TF}}\right)}\right)$ (10.131)

With

$\displaystyle \frac{\partial T_{FF}}{\partial V_{BE}} = \dfrac{T_F\cdot X_{TF}\...
...I_F + I_{TF}\right)^3}\cdot \exp{\left(\dfrac{V_{BC}}{1.44\cdot V_{TF}}\right)}$ (10.132)

the base-emitter diffusion capacitance can finally be written as:

$\displaystyle C_{BE_{diff}} = \dfrac{\partial Q_{BE}}{\partial V_{BE}} = \dfrac...
...IF} - \dfrac{I_F}{Q_B}\cdot \dfrac{\partial Q_B}{\partial V_{BE}}\right)\right)$ (10.133)

Because the base-emitter charge $ Q_{BE}$ in eq. (10.130) also depends on the voltage across the base-collector junction, it is necessary to find the appropriate derivative as well:

$\displaystyle C_{BE_{BC}} = \dfrac{\partial Q_{BE}}{\partial V_{BC}} = \dfrac{I...
...BC}} - \dfrac{T_{FF}}{Q_B} \cdot \dfrac{\partial Q_{B}}{\partial V_{BC}}\right)$ (10.134)

which turns out to be a so called transcapacitance. It additionally requires:

$\displaystyle \dfrac{\partial T_{FF}}{\partial V_{BC}} = \dfrac{T_F\cdot X_{TF}...
..._F + I_{TF}}\right)^2 \cdot \exp{\left(\dfrac{V_{BC}}{1.44\cdot V_{TF}}\right)}$ (10.135)

The base-collector diffusion capacitance writes as follows:

$\displaystyle C_{BC_{diff}} = \dfrac{\partial Q_{BC}}{\partial V_{BC}} = T_{R} \cdot g_{IR}$ (10.136)

To take the excess phase parameter $ \varphi_{TF}$ into account the forward transconductance is going to be a complex quantity.

$\displaystyle g_{mf} = g_{mf}\cdot e^{-j\varphi_{ex}} \;\;\;\; \textrm{ with } ...
...rphi_{ex} = \left(\dfrac{\pi}{180}\cdot\varphi_{TF}\right)\cdot T_F\cdot 2\pi f$ (10.137)

With these calculations made it is now possible to define the small signal Y-parameters of the intrinsic BJT. The Y-parameter matrix can be converted to S-parameters.

$\displaystyle Y = \begin{bmatrix}Y_{BC} + Y_{BE} + Y_{BE_{BC}} & -Y_{BC} - Y_{B...
... + Y_{BE_{BC}} & Y_{BE} + g_{mf} & 0\\ 0 & -Y_{CS} & 0 & Y_{CS}\\ \end{bmatrix}$ (10.138)

with

$\displaystyle Y_{BC}$ $\displaystyle = g_{\mu} + j\omega \left(C_{BCI_{dep}} + C_{BC_{diff}}\right)$ (10.139)
$\displaystyle Y_{BE}$ $\displaystyle = g_{\pi} + j\omega \left(C_{BE_{dep}} + C_{BE_{diff}}\right)$ (10.140)
$\displaystyle Y_{CS}$ $\displaystyle = j\omega\cdot C_{CS_{dep}}$ (10.141)
$\displaystyle Y_{BE_{BC}}$ $\displaystyle = j\omega\cdot C_{BE_{BC}}$ (10.142)

The external capacitance $ C_{BCX}$ connected between the internal collector node and the external base node is separately modeled if it is non-zero and if there is a non-zero base resistance.

Original SPICE model

The original SPICE variant of the above small signal equivalent circuit with the transconductance $ g_m$ and the output conductance $ g_0$ is depicted in fig. 10.14.

Figure 10.14: small signal model of intrinsic BJT in SPICE
\includegraphics[width=0.55\linewidth]{spsgp_spice}

The appropriate MNA matrix (Y-parameters) during the small signal analysis can be written as

$\displaystyle Y = \begin{bmatrix}Y_{BC} + Y_{BE} +Y_{BE_{BC}} & -Y_{BC} - Y_{BE...
...E_{BC}} & Y_{BE} + g_{m} + g_{0} & 0\\ 0 & -Y_{CS} & 0 & Y_{CS}\\ \end{bmatrix}$ (10.143)

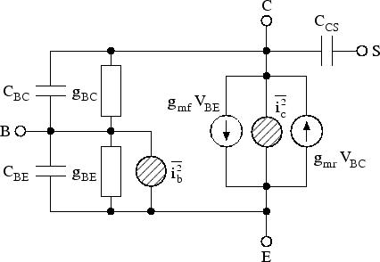
Noise model

The ohmic resistances $ R_{BB'}$, $ R_C$ and $ R_E$ generate thermal noise characterized by the following spectral densities.

$\displaystyle \dfrac{\overline{i_{R_{BB'}}^2}}{\Delta f} = \dfrac{4 k_B T}{R_{B...
...m{ and } \;\;\;\; \dfrac{\overline{i_{R_E}^2}}{\Delta f} = \dfrac{4 k_B T}{R_E}$ (10.144)

Figure 10.15: noise model of intrinsic BJT
\includegraphics[width=0.6\linewidth]{noisesgp}

Shot noise, flicker noise and burst noise generated by the DC base current is characterized by the spectral density

$\displaystyle \dfrac{\overline{i_{b}^2}}{\Delta f} = 2e I_{BE} + K_F\dfrac{I_{BE}^{A_F}}{f^{F_{FE}}} + K_B\dfrac{I_{BE}^{A_B}}{1 + \left(\dfrac{f}{F_B}\right)^2}$ (10.145)

The shot noise generated by the DC collector to emitter current flow is characterized by the spectral density

$\displaystyle \dfrac{\overline{i_{c}^2}}{\Delta f} = 2e I_{T}$ (10.146)

The noise current correlation matrix of the four port intrinsic bipolar transistor can then be written as

$\displaystyle \underline{C}_Y = \Delta f \begin{bmatrix}+\overline{i_{b}^2} & 0...
...} & +\overline{i_{c}^2} +\overline{i_{b}^2} & 0\\ 0 & 0 & 0 & 0\\ \end{bmatrix}$ (10.147)

This matrix representation can be converted to the noise wave correlation matrix representation $ \underline{C}_S$ using the formulas given in section 2.4.2 on page [*].

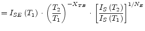
Temperature model

Temperature appears explicitly in the exponential term of the bipolar transistor model equations. In addition, the model parameters are modified to reflect changes in the temperature. The reference temperature $ T_1$ in these equations denotes the nominal temperature $ T_{NOM}$ specified by the bipolar transistor model.

$\displaystyle I_S\left(T_2\right)$ $\displaystyle = I_S\left(T_1\right)\cdot \left(\dfrac{T_2}{T_1}\right)^{X_{TI}}...
...\left(300K\right)}{k_B\cdot T_2}\cdot \left(1 - \dfrac{T_2}{T_1}\right)\right]}$ (10.148)
$\displaystyle V_{JE}\left(T_2\right)$ $\displaystyle = \dfrac{T_2}{T_1}\cdot V_{JE}\left(T_1\right) - \dfrac{2\cdot k_...
...- \left(\dfrac{T_2}{T_1} \cdot E_G\left(T_1\right) - E_G\left(T_2\right)\right)$ (10.149)
$\displaystyle V_{JC}\left(T_2\right)$ $\displaystyle = \dfrac{T_2}{T_1}\cdot V_{JC}\left(T_1\right) - \dfrac{2\cdot k_...
...- \left(\dfrac{T_2}{T_1} \cdot E_G\left(T_1\right) - E_G\left(T_2\right)\right)$ (10.150)
$\displaystyle V_{JS}\left(T_2\right)$ $\displaystyle = \dfrac{T_2}{T_1}\cdot V_{JS}\left(T_1\right) - \dfrac{2\cdot k_...
...- \left(\dfrac{T_2}{T_1} \cdot E_G\left(T_1\right) - E_G\left(T_2\right)\right)$ (10.151)

where the $ E_G\left(T\right)$ dependency has already been described in section 10.2.4 on page [*]. The temperature dependence of $ B_F$ and $ B_R$ is determined by

$\displaystyle B_F\left(T_2\right)$ $\displaystyle = B_F\left(T_1\right)\cdot \left(\dfrac{T_2}{T_1}\right)^{X_{TB}}$ (10.152)
$\displaystyle B_R\left(T_2\right)$ $\displaystyle = B_R\left(T_1\right)\cdot \left(\dfrac{T_2}{T_1}\right)^{X_{TB}}$ (10.153)

Through the parameters $ I_{SE}$ and $ I_{SC}$, respectively, the temperature dependence of the non-ideal saturation currents is determined by

$\displaystyle I_{SE}\left(T_2\right)$ $\displaystyle = I_{SE}\left(T_1\right)\cdot \left(\dfrac{T_2}{T_1}\right)^{-X_{TB}} \cdot \left[\dfrac{I_S\left(T_2\right)}{I_S\left(T_1\right)}\right]^{1/N_E}$ (10.154)
$\displaystyle I_{SC}\left(T_2\right)$ $\displaystyle = I_{SC}\left(T_1\right)\cdot \left(\dfrac{T_2}{T_1}\right)^{-X_{TB}} \cdot \left[\dfrac{I_S\left(T_2\right)}{I_S\left(T_1\right)}\right]^{1/N_C}$ (10.155)

The temperature dependence of the zero-bias depletion capacitances $ C_{JE}$, $ C_{JC}$ and $ C_{JS}$ are determined by

$\displaystyle C_{JE}\left(T_2\right)$ $\displaystyle = C_{JE}\left(T_1\right)\cdot\left(1 + M_{JE}\cdot\left(400\cdot ...
...left(T_2\right) - V_{JE}\left(T_1\right)}{V_{JE}\left(T_1\right)}\right)\right)$ (10.156)
$\displaystyle C_{JC}\left(T_2\right)$ $\displaystyle = C_{JC}\left(T_1\right)\cdot\left(1 + M_{JC}\cdot\left(400\cdot ...
...left(T_2\right) - V_{JC}\left(T_1\right)}{V_{JC}\left(T_1\right)}\right)\right)$ (10.157)
$\displaystyle C_{JS}\left(T_2\right)$ $\displaystyle = C_{JS}\left(T_1\right)\cdot\left(1 + M_{JS}\cdot\left(400\cdot ...
...left(T_2\right) - V_{JS}\left(T_1\right)}{V_{JS}\left(T_1\right)}\right)\right)$ (10.158)

Area dependence of the model

The area factor $ A$ used in the bipolar transistor model determines the number of equivalent parallel devices of a specified model. The bipolar transistor model parameters affected by the $ A$ factor are:

$\displaystyle I_S\left(A\right)$ $\displaystyle = I_S\cdot A$ (10.159)
$\displaystyle I_{SE}\left(A\right)$ $\displaystyle = I_{SE}\cdot A$ $\displaystyle I_{SC}\left(A\right)$ $\displaystyle = I_{SC}\cdot A$ (10.160)
$\displaystyle I_{KF}\left(A\right)$ $\displaystyle = I_{KF}\cdot A$ $\displaystyle I_{KR}\left(A\right)$ $\displaystyle = I_{KR}\cdot A$ (10.161)
$\displaystyle I_{RB}\left(A\right)$ $\displaystyle = I_{RB}\cdot A$ $\displaystyle I_{TF}\left(A\right)$ $\displaystyle = I_{TF}\cdot A$ (10.162)

$\displaystyle C_{JE}\left(A\right)$ $\displaystyle = C_{JE}\cdot A$ $\displaystyle C_{JC}\left(A\right)$ $\displaystyle = C_{JC}\cdot A$ (10.163)
$\displaystyle C_{JS}\left(A\right)$ $\displaystyle = C_{JS}\cdot A$ (10.164)

$\displaystyle R_{B}\left(A\right)$ $\displaystyle = \dfrac{R_{B}}{A}$ $\displaystyle R_{Bm}\left(A\right)$ $\displaystyle = \dfrac{R_{Bm}}{A}$ (10.165)
$\displaystyle R_{E}\left(A\right)$ $\displaystyle = \dfrac{R_{E}}{A}$ $\displaystyle R_{C}\left(A\right)$ $\displaystyle = \dfrac{R_{C}}{A}$ (10.166)


This document was generated by Stefan Jahn on 2007-12-30 using latex2html.